chống nhiễu blutooth Ic cách ly nguồn 1212 1205 0505
Mô tả ngắn
Thiết Bị Âm Thanh > Khác || chống nhiễu blutooth Ic cách ly nguồn 1212 1205 0505Còn hàng
So sánh giá ×
- Giao hàng toàn quốc
- Được kiểm tra hàng
- Thanh toán khi nhận hàng
- Chất lượng, Uy tín
- 7 ngày đổi trả dễ dàng
- Hỗ trợ xuất hóa đơn đỏ
Giới thiệu chống nhiễu blutooth Ic cách ly nguồn 1212 1205 0505
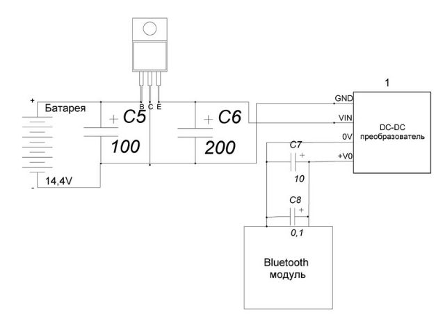
Module cách ly nguồn cho mạch Bluetooth dùng để chống nhiễu cho mạch Bluetooth khi ráp mạchChú ý tên linh kiện và chức năng của linh kiện ví dụ
1205 1W nghĩa là điện áp cấp cho ic là 12v ra được điện áp 05v và công suất của ic là 1W xài đc cho Bluetooth
0505 nghĩa là cấp điện áp cho ic là 05v và ra 05v chú ý phải lắp ổn áp 7805 để ổn áp 5v trước cho ic
Bluetooth cho các thiết bị âm thanh giảm nhiễu 100% chú ý phải kết hợp với 7805 hoặc 7812 để module hoạt động tốt. Hàn theo sơ đồ trên nhé
#B1205
Giá HATCHY
Từ khóa
usb sound cardcáp 3.5mm 1 đầu đực 1 cáiugreenjack chuyển tai nghejack chuyển tai nghe 3.5 sang lightninglightning to 3.5mmcổng chuyển đổi lightning sang jack 3.5cáp chuyển đổi lightning sang 3.5mmmạch loa bluetoothmạch bluetoothmạch khuếch đại âm thanhmạch phân tầnmạch bluetooth 5.0mạch loa kéo công suất lớnloa kéo karaokebo mạch loa kéoloa phóng thanhbộ chuyển đổi âm thanh opticaltai nghe bluetoothmicro thu âmmic thu âmsound cardusb sound - card âm thanh 7.1soundcardsoud cardtp linkbluetooth usbusb bluetooth 5.0 cho pcphát bluetooth cho pcusb bluetooth 5.0














